Schwerlastdoppelrolle
Lenkrollen mit Rad-/Totalfeststeller (Ø 100 + 125 mm Feststeller im Vorlauf)
S120.B16.301
CAD-Daten herunterladen
HerunterladenBitte loggen Sie sich in Ihrem Kundenkonto ein oder registrieren Sie sich, um auf unsere CAD-Daten zugreifen zu können.
Interesse am Produkt?
Nehmen Sie als Gewerbekunde Kontakt mit uns auf, oder fragen Sie einen Zugang zum Partnerbereich an, um weitere Vorteile zu erhalten.
Beschreibung
Gehäuse Stahlschweißkonstruktion · verzinkt · Kugellager im Gabelkopf
Eigenschaften
-
Rollwiderstand:
-
Verschleißbeständigkeit:
-
Bodenschonung:
- Befestigung: Anschraubplatte
- Ø Rad: 300 mm
- Tragkraft: 7500 kg
- Lager: Kugellager
- Radbreite: 2x100 mm
- Radkörper: Polyamid gegossen
- Lauffläche: Polyamid gegossen
- Bauhöhe: 395 mm
- Ausladung: 111 mm
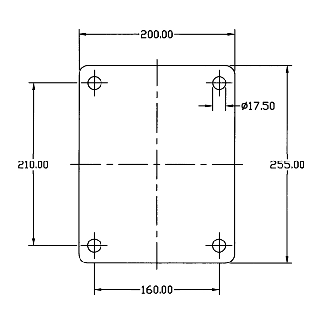
- Plattengröße: 255x200 mm
- Schraublochentfernung: 210x160 mm
- Ø Schraubloch: 16 mm
- Verpackungsmenge: 1