Schwerlastrolle
Lenkrollen
RR100.C10.202
CAD-Daten herunterladen
HerunterladenBitte loggen Sie sich in Ihrem Kundenkonto ein oder registrieren Sie sich, um auf unsere CAD-Daten zugreifen zu können.
Interesse am Produkt?
Nehmen Sie als Gewerbekunde Kontakt mit uns auf, oder fragen Sie einen Zugang zum Partnerbereich an, um weitere Vorteile zu erhalten.
Beschreibung
Gehäuse Stahlschweißkonstruktion · verzinkt · Kugellager im Gabelkopf
Eigenschaften
-
Rollwiderstand:
-
Verschleißbeständigkeit:
-
Bodenschonung:
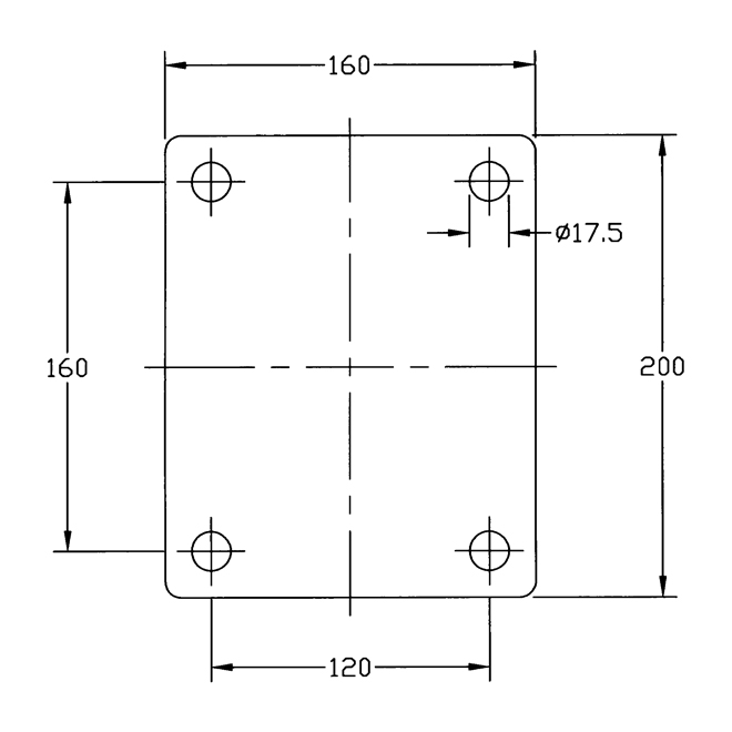
- Befestigung: Anschraubplatte
- Ø Rad: 200 mm
- Tragkraft: 1400 kg
- Lager: Kugellager
- Radbreite: 80 mm
- Radkörper: Guss
- Lauffläche: Prothane® Guss-Polyurethan 95 +/-3 Shore A
- Bauhöhe: 264 mm
- Ausladung: 65 mm
- Plattengröße: 200x160 mm
- Schraublochentfernung: 160x120 mm
- Ø Schraubloch: 16 mm
- Verpackungsmenge: 1