Transportrolle
Bockrollen
L410.C10.100
CAD-Daten herunterladen
HerunterladenBitte loggen Sie sich in Ihrem Kundenkonto ein oder registrieren Sie sich, um auf unsere CAD-Daten zugreifen zu können.
Interesse am Produkt?
Nehmen Sie als Gewerbekunde Kontakt mit uns auf, oder fragen Sie einen Zugang zum Partnerbereich an, um weitere Vorteile zu erhalten.
Beschreibung
Gabel aus Stahlblech · verzinkt-chromatiert · zweireihiger Kugelkranz im Gabelkopf
Eigenschaften
-
Rollwiderstand:
-
Verschleißbeständigkeit:
-
Bodenschonung:
- Befestigung: Anschraubplatte
- Ø Rad: 100 mm
- Tragkraft: 125 kg
- Lager: Kugellager
- Radbreite: 30 mm
- Radkörper: Guss
- Lauffläche: Prothane® Guss-Polyurethan 95 +/-3 Shore A
- Bauhöhe: 128 mm
- Ausladung: 34 mm
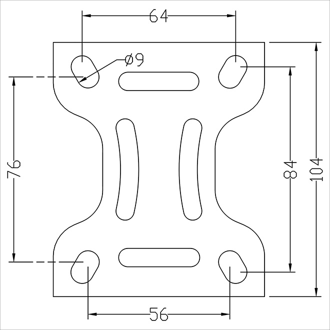
- Plattengröße: 104x80 mm
- Schraublochentfernung: 84x64/76x56 mm
- Ø Schraubloch: 9 mm
- Verpackungsmenge: 1